產品分類
山東合運電氣有限公司
手機:15588886921(同微信)
官網:www.cflppw.com
郵箱:2466458158@qq.com
Kornd?rfer自耦變壓器起動器
時間:2022-11-11 人氣: 來源:山東合運電氣有限公司
在電氣工程中,Korndorfer啟動器是一種用于感應電動機降壓軟啟動的技術。希爾頓雷蒙德培根更新和改進了這種電機啟動方法。
發動機關閉
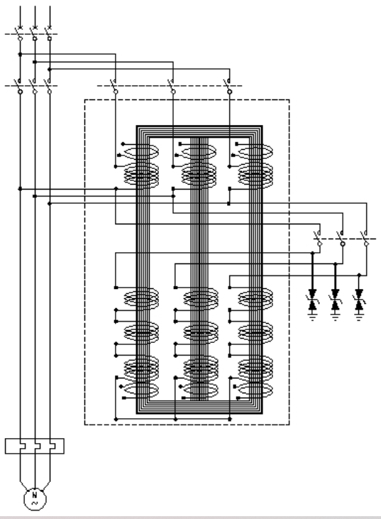
Korndorfer系統可以手動操作。較新的設備是全自動的,可能還包含其他:三相開關、過載保險絲、分接頭連接電纜、時間繼電器、緊急啟動和停止按鈕等。
啟動-第1步
啟動馬達。首先關閉開關1和2。這為電機提供來自自耦變壓器的較低電壓。較低的電壓限制了最初靜止的電機的輸入電流,該電機會加速。電機的扭矩也降低。
啟動-第2步
電機加速,直到負載扭矩與電機扭矩相符。當這種情況發生時,開關2斷開。電機在短時間內以更低的電源電壓工作,因為這種配置中的自耦變壓器線圈用作電感器。然而,這個時間很短,因為開關3被打開,這導致電機以全工作電壓運行。電機繼續加速到其全額定速度,在該速度下電機“軟啟動”結束,電機可以滿載運行。
滿載
啟動完成后,無需向自耦變壓器供電。因此,它通過斷開開關1斷開,而電機則通過開關3直接從三相網絡供電。
關閉
要關閉發動機,只需斷開開關3,這會切斷電源電壓,發動機會在沒有啟動器的情況下停止。
優點
Korndorfer啟動器顯著降低了涌浪電流。它用于無法通過直接連接到電網啟動或不能使用星三角啟動(例如在負載下)的中型和大型電機(功率從幾十千瓦起)。
與使用常規自耦變壓器啟動相比,該電路具有優勢,常規自耦變壓器需要在啟動過程中的某個時刻完全斷開,從而引發高壓脈沖,這會損壞定子的電氣絕緣。
最有效的啟動是通過將自耦變壓器設置為額定電壓的65-80%左右獲得
弊病
電路比較復雜,自耦變壓器價格昂貴。由于整個設備的外部尺寸,可能無法將其安裝在狹窄的空間內。
來歷
他于1908年5月向美國專利局提交了申請,并于1914年5月獲得了專利US 1,096,922。Max Kornd?rfer將他的專利轉讓給了通用電氣公司。
Max Kornd?rfer將他的專利轉讓給了通用電氣公司。
感應電機在加速到全額定速度期間消耗非常高的啟動電流,通常是全負載電流的6到10倍。在電網容量不足或驅動負載不能承受高啟動轉矩的情況下,需要降低啟動電流。
Kornd?rfer專利1,096,922的說明
Max Kornd?rfer聲稱有四種使用自耦變壓器進行降壓電機啟動的方法。
第四種方法是星形開關閉合,隨著電機加速,從自耦變壓器上的降低電壓抽頭切換到直接在線。
開始順序:
星形開關閉合
啟動開關閉合以給自耦變壓器通電。
電機連接到自耦變壓器上選定的減壓抽頭,并開始轉動和加速
預定時間后,星形開關將打開
一毫秒延遲后,運行開關將關閉,將全線電壓連接到電機
然后啟動開關將打開,電機將處于運行速度
自1920年以來,自耦變壓器起動器一直是減少感應電動機起動電流涌入的最流行的裝置;它以最小的線電流提供最大的啟動轉矩。
表1-使用3個降低電壓抽頭的啟動扭矩/電流

制造商提供兩種配置的降壓自耦變壓器,2線圈結構或3線圈結構。
根據美國電氣制造商協會的建議,每個設備的電壓抽頭降低了50%、65%和80%。
單個線圈組件的0至50%繞組部分埋在單個熱質量中的50%至100%繞組下方。

如圖顯示了改進的1000 kW 11,000伏電機啟動器自耦變壓器
軸流散熱風扇,
澆注樹脂封裝線圈,
多個繞組提供作為中央開關設備的連接方式,
9個啟動電壓分接頭連接允許圍繞NEMA推薦分接頭的±5%的啟動扭矩變化(50%、65%和80%)。這允許電機啟動扭矩的選擇與驅動負載要求緊密匹配。選擇是通過繞組部分之間的連接環節。
表2-9個降低電壓連接的啟動扭矩/電流

第一啟動階段的熱耗散通過將繞組與第二啟動步驟的繞組物理分離以達到全線電壓而最大化。
用途和樣式
與固態變頻驅動器相比,自耦變壓器電機啟動裝置相對簡單。由于不含任何電力電子器件,輸出波形為正弦波,無附加諧波失真或開關波形。
中型電壓啟動器
多年來,低電壓600 V Kornd?rfer電機啟動器是一種久經考驗的主力產品。然而,大型中/高壓電機啟動器報告了隨機自耦變壓器故障。
Dr.S.E.A.的IEEE文章Emam&Pro.Dr.A.H.艾因夏姆斯大學工程咨詢中心的Amer報告了為一家石油公司對5,400千瓦電機進行的一些調查,但沒有明確的故障原因。
“開放式轉換”控制方案將電機與電源斷開,導致電機減速并與電源相位不同步,一旦重新連接,機械和電氣瞬變可能會損壞電機或其傳動系統。
瞬態持續時間非常短,不到5微秒,發生在來自自耦變壓器次級的電機電流被迫達到線電壓時。這是一個非常快的事件,并且是破壞性電壓瞬變的起源,這些瞬變已導致1000 kW以上的大型中高壓啟動器發生重大故障。

邁克爾法拉第DCL,FRS,在1831年發表了一篇關于他發現電磁感應的論文,電磁感應是磁通量隨時間的變化率隨線圈在該線圈中感應出的電壓,感應電壓的幅值與速度成正比。與線圈的磁鏈。正常運行時,升壓自耦變壓器會在電源頻率下產生磁鏈;在觸點分離瞬間dv/dt非常快的情況下,感應到第一啟動階段的冗余繞組中的電壓將非常大。
另一個瞬態問題是,對于單線圈結構和星形開關,自耦變壓器在星形點開關觸點分離時<5微秒期間充當升壓變壓器。將電機連接到80%的電壓抽頭時,瞬態會以5:1的比例升級。
低壓Kornd?rfer自耦變壓器電機啟動器<600伏也受到類似電壓瞬變的影響,具有快速上升的波前,但是由于較低的工作電壓和使用的最先進的絕緣材料可能是延長其使用壽命的一個因素。
為了降低任何電壓浪涌的風險,最好用自耦變壓器替換Kornd?rfer電機啟動器電路,該自耦變壓器具有中央開關電路,可將第一級啟動階段的冗余繞組與過渡電路斷開,從而防止任何升壓變壓器連接和電壓升高。
Kornd?rfer啟動器中破壞性瞬變的根本原因是電機電流轉換的隨機切換。不受控制的轉換時間允許峰值電機電流在波形的任何點進行切換。如圖顯示了90度時的轉換。
一個3線圈自耦變壓器需要一個3極開關來控制3相電壓,圖左的檢查顯示三個正弦波以120度的間隔位移。在循環中似乎沒有真正的點可以在任何相等的低電機安培數下同時切換所有三相,而無需求助于復雜的交錯切換方法


(左)圖.-3相功率正弦曲線(右)圖.3線圈原理圖
(左)圖2線圈2相正弦曲線(右)圖.2線圈原理圖
2線圈自耦變壓器只有兩個繞組,需要在轉換時進行切換。顯示了2線圈自耦變壓器的電機電流曲線。線路2未切換。這種拓撲結構適用于受控切換。
對正弦曲線的檢查表明,在30度和210度時,兩個電機電流處于相同的值并且處于相同的相位象限。在30度時,自耦變壓器提供的電機電流幅度僅為90度時出現的峰值電機電流的一半。(sine30°=0.5)。
因此,中央開關防止任何升壓自耦變壓器連接和將開關瞬變控制為低于星形連接開關的值的可行方法。
受控中央切換的要點是:
中央開關在電機通電前閉合,
電機電流沒有中斷,只有電流轉移,
中央開關的同步、受控打開。
通過電機電流波形的過零進行同步。
中央開關可以是機電開關或使用IGBT、EMT或其他類似固態器件的電子器件。
電子中央開關只需打開其電路,迫使電機電流以不間斷、閉合的轉換動作轉移到80%的繞組中。它可以提供無摩擦、準確和即時的切換動作,這是操作30度轉換點所必需的。
需要一種檢測電流過零的方法來為受控切換提供定時測量。電流到電壓互感器用于精確觸發這種定時信號以控制開關打開。
必須仔細選擇機電中央開關,因為它具有固有的打開和關閉操作時間。
由于減少電機電流浪涌的受控開關
通過在過渡到初級電抗器的第二啟動階段時進行切換,可以最小化來自降低電壓階段的電動機啟動電流的變。在他的專利Max Kornd?rfer中,展示了一種外部電抗器線圈方法,“以便在轉換為直接在線之前實現步驟之間的電壓分級”
關于Kornd?rfer自耦變壓器起動器,小編為大家就分享這些。歡迎聯系我們合運電氣有限公司,以獲取更多相關知識。
上一篇:Goodness系數



魯公網安備 37010502001687號