產品分類
山東合運電氣有限公司
手機:15588886921(同微信)
官網:www.cflppw.com
郵箱:2466458158@qq.com
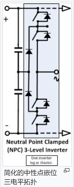
中性點嵌位
時間:2022-11-24 人氣: 來源:山東合運電氣有限公司
中性點嵌位(Neutral point clamped)簡稱NPC,是多電平逆變器或變頻器會使用的一種拓樸,常用在大功率的應用中。這類的電氣設備可用在功率高達數百萬瓦特的應用中。

以使用四個功率晶體串聯的三電平變頻器為例,中性點嵌位會將上臂二個功率晶體中間的電壓經由二極管嵌位到中性點,下臂二個功率晶體中間的電壓經由另一個二極管嵌位到中性點。
關于中性點嵌位,小編為大家就分享這些。歡迎聯系我們合運電氣有限公司,以獲取更多相關知識。



魯公網安備 37010502001687號